
| 用 途 | |
| XG系列星形给料机(转阀)是在引进消化国外同类产品的基础上,经我厂改进设计的一种新型给料设备。该设备可将干燥粉状或小颗粒状物料均匀地输送给受料装置,同时具有锁风、隔压功能,能有效地解决有压差情况的给料,特别适用于化工、制药、食品等行业。 |
![]() |
| 特 点 | |
| 1、该设备结构简单,操作方便,运转平稳,噪音低。 | |
| 2、给料连续均匀。 | |
| 3、体积小,重量轻。 | |
| 4、具备防锈、耐蚀。 | |
| 5、配用防爆电机,适用于有防爆要求的场合。 | |
| 型号及参数 | |
| XG□ | |
| X-星形 | |
| G-给料机 | |
| □-公称直径 | |
| 主要技术参数 | |
| |||||||||||||||||||||||||||||||||||||||||||||||||||||||||||
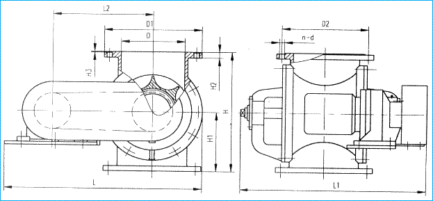
| 主要外型尺寸及图 |
![]() |
|
| 上一个产品:XHQ系列气动弧门卸料器、螺旋闸门 |
| 下一个产品:ZZF、DZF系列振动放矿机 |