
| 用 途 |
| GF型叶轮给粉机是火力发电厂储仓式制粉系统供给锅炉燃料的主要设备,用它把煤粉连续,均匀地送入一次风管,吹进锅炉燃烧。靠它调节给粉量来控制度和压力,从而保证要求的锅炉出力。 |
| 叶轮给粉机的出力是按一定的容积比重确定的。因此,对于建材、冶金、化工、民用等部门的制粉系统,也可根据技术性能广为选用,欢迎订货。 |
| 技术参数 |
| |||||||||||||||||||||||||||||||||||||||||||||||||||||||||||||||
| 配套电动机技术数据 |
|
| 原 理 |
| GF型叶轮给粉机是一种定量给粉设备。给粉量的调节是靠改变电磁调速异步电动机的转数来达到的。变速系统是由一极蜗轮与蜗杆付构成的。 |
| 当变速时由蜗杆付通过装在同一主轴上的刮板,供给叶轮和测量叶轮实现给粉。煤粉自煤粉斗流入给粉机上部体内的隔板上及其缺口下面的供给叶轮的齿槽内,旋转的叶轮带着煤粉在供给叶轮壳内转180度给叶轮壳缺口处,落到测量叶轮内的齿槽,测量叶轮再转180度又把煤粉带部体内的缺口片,煤粉即落入出粉管中,按此过程就达到连续、均匀给粉的防止停机时煤粉自流的目的。 |
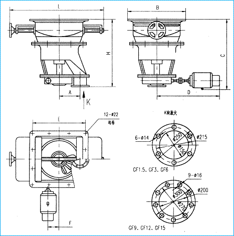
| 外形尺寸 |
![]() |
|
| 上一个产品:ZZF、DZF系列振动放矿机 |
| 下一个产品:GY型刚性叶轮式给料机 |